Product Summary
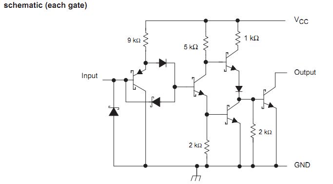
The 74LS07 is a monolithic hex buffer/driver. It features high-voltage open-collector outputs to interface with high-level circuits or for driving high-current loads. The 74LS07 is also characterized for use as buffers for driving TTL inputs. The 74LS07 has a rated output voltage of 30V. The maximum sink current is 30 mA for the 74LS07.
Parametrics
74LS07 absolute maximum ratings: (1)Supply voltage, VCC: 7 V; (2)Input voltage, VI: 5.5 V; (3)Output voltage, VO: 30 V; (4)Operating free-air temperature range: –55 to 125℃; (5)Storage temperature range:–65 to 150℃.
Features
74LS07 features: (1)Converts TTL-Voltage Levels to MOS Levels; (2)High Sink-Current Capability; (3)Input Clamping Diodes Simplify System Design; (4)Open-Collector Driver for Indicator Lamps and Relays; (5)Package Options Include Small Outline Packages, Ceramic Chip Carriers, and Standard and Ceramic 300-mil DIPs.
Diagrams

![]() |
![]() 74LS00 |
![]() Other |
![]() |
![]() Data Sheet |
![]() Negotiable |
|
||||
![]() |
![]() 74LS00N |
![]() Other |
![]() |
![]() Data Sheet |
![]() Negotiable |
|
||||
![]() |
![]() 74LS01 |
![]() Other |
![]() |
![]() Data Sheet |
![]() Negotiable |
|
||||
![]() |
![]() 74LS03 |
![]() Other |
![]() |
![]() Data Sheet |
![]() Negotiable |
|
||||
![]() |
![]() 74LS05 |
![]() Other |
![]() |
![]() Data Sheet |
![]() Negotiable |
|
||||
![]() |
![]() 74LS08 |
![]() Other |
![]() |
![]() Data Sheet |
![]() Negotiable |
|
||||
(Hong Kong)








